Kumanda Devreleri

Elektrik motorları başta olmak üzere makinelerin arıza yapmadan çalışması üretimin aksamaması ve verimin düşmemesi için gereklidir. Bu nedenle sanayinin her alanında kullanılan bu makinelerin, korunması ve istenilen şekilde kontrol edilmesi gerekmektedir. Çeşitli mekanik devre elemanları kullanarak koruma ve kontrol işlemlerini gerçekleştiren devrelere kumanda devreleri denir. Günümüzde üretimin durmaması için arızaların olabildiğince aza indirilmesi, arıza durumunda ise  arızanın kolayca giderilmesi çok önemlidir. Kumanda devreleri, arızaların kolay ve hızlı şekilde tespit edilmesinde ve kolay şekilde giderilmesinde büyük rol oynar.  Bu yazıda kumanda ve güç devrelerinde kullanılan elemanlar tanıtılacak, kumanda ve güç devre şemalarının çizimine dair bilgiler verilecektir.

Kumanda Devrelerinde Kullanılan Elemanlar

Butonlar

Genel olarak iki tip buton vardır.

Ani Temaslı Buton: Temas anında kontağı konum değiştiren buton tipidir. Eğer buton, normalde açık ise normalde kapalı konumuna, normalde kapalı ise normalde açık konumuna geçer. Üzerine uygulanan temasın kesilmesi halinde kontak eski haline döner.

Kalıcı Tip Buton (Anahtar): Butona basıldığında buton kontağı konum değiştirir. Temasın kesilmesi halinde bile kontaklar konumunu konur. Butonun eski konumuna dönmesi isteniyorsa tekrar basılması gerekmektedir.

Kontak Durumuna Göre Butonlar

Butonlar, kontak durumlarına göre üçe ayrılır. Bunlar; normalde açık kontaklı buton, normalde kapalı kontaklı buton ve iki yollu (jog) buton olarak ayrılabilir.

Normalde Açık Kontaklı Buton: Normal konumda butonun kontağı açık haldedir ve buton üzerinden akım akmaz. Butona basıldığında kontak kapanır ve buton akımı iletir. Kısaca başlatma (start) butonu olarak bilinir.

Açık Kontaklı Buton

Normalde Kapalı Kontaklı Buton: Normal konumda butonun kontağı kapalı haldedir ve buton üzerinden akım akabilir. Butona basıldığında kontak açılır ve buton üzerinden akım iletiliyor ise akım kesilir. Kısaca durdurma (stop) butonu olarak bilinir.

Kapalı Kontaklı Buton

İki Yollu (Jog) Buton: Normade açık ve normalde kapalı olmak üzere iki kontağı bulunan buton tipidir. İlk konumunda akım butonun üst kontağından geçer. Ancak butona basıldığında, akım alt kontaktan geçecektir. Bu yapı sayesinde bir alıcı durdurulurken diğer alıcı başlatılabilir.

İki Yollu (Jog) Buton

Acil Durdurma Butonu: Kontrollü başlatmanın gerektiği yerlerde kullanılır. Butona basıldığında kontak açılır. Ancak butonun ilk konumuna dönmesi istenildiğinde, butonun döndürülerek çekilmesi gerekmektedir. Bu sayede güvenlik sağlanmış olur.

Acil Durdurma Butonu

Sinyal Lambaları

Sistemin çalışma durumu hakkında görsel olarak bilgi verir. Neon gazlı, akkor flamanlı ve LED lambalı çeşitleri bulunur. Ancak LED lamba teknolojisinin yaygınlaşmasıyla yeni sistemlerde çoğunlukla LED sinyal lambaları kullanılmaktadır. Neon gazlı sinyal lambaları 48 Volttan yüksek gerilimlerde kullanılırken, akkor flamanlı olanlar düşük gerilimler için kullanılır.

Sinyal Lambaları

Sınır Anahtarları

Fiziksel yapı olarak küçük olanlara mikro anathar da denir. Pozisyon algılama, bir hareketi durdurma ya da bir hareketi durdurup başka bir hareketi başlatma işlerinde kullanılır. Yapılarına göre pimli, makaralı ve manyetik olmak üzere üçe ayrılır. Örnek olarak, buzdolabı kapısının kapanınca buzdolabının içindeki lambanın sönmesini pimli sınır anahtarı sağlamaktadır.

Sınır Anahtarları

Röleler

Küçük güçle çalışan elektromanyetik anatharlara röle denir. Kumanda devrelerinde hafıza elemanı olarak kullanılır. Yapı olarak manyetik gövde, bobin, palet ve kontaklardan oluşmaktadır. Bobin manyetik nüve üzerine sarılır ve bobin enerjilendiğinde bir elektromıknatıs oluşması sağlanır. Palet ise kontakların açılıp kapanmasını sağlayan elemandır. Bobin enerjilendiğinde palet hareket eder. Bu hareket sonucu rölenin açık kontakları kapanırken, kapalı kontakları açılır. Manyetik gövdenin ön kısmına yerleştirilen plastik pul sayesinde kontakların palete yapışması engellenmiş olur. Bobinin enerjisi kesildiğinde kontaklar eski konumuna döner.

Röle

Kontaktörler

Büyük güçlü elektromanyetik anahtarlara kontaktör denir. İç yapısı röleye benzer olarak elektromıknatıs, palet ve kontaklardan oluşmaktadır. Çalışma prensibi de röle ile benzerlik göstermektedir. Bobine enerji verildiğinde oluşan manyetik alan bir kuvvete neden olur. Bu kuvvet paleti hareket ettirerek kontakların konum değiştirmesini sağlar. Bobin enerjisi kesildiğinde ise kuvvet ortadan kalkar ve kontaklar ilk konumuna döner. Kontaktörler birbirine seri bağlanmazlar. 220 Voltluk bir kontaktörün çalışmaya başlaması için 220V gerekmektedir. Fakat çalışmaya başladıktan sonra 100 Volt gibi bir değerde bile çalışmaya devam edebilir. Ancak, kontaktörün normal kullanım ömrünün kısalmaması için bu önerilmez.

Kontaktörler

Aşırı Akım Röleleri

Elektrik Motorlarının arıza durumunda ya da herhangi bir nedenden dolayı, etiket değerinden daha fazla akım çekmesi durumunda motorun zarar görmemesi için akımı kesen elemandır. Manyetik ve termik olmak üzere ikiye ayrılır. Aşırı akım röleleri motora seri olarak bağlanır. Bu sayede motordan geçen akımın tamamı aşırı akım rölesi üzerinden de geçecektir. Elektrik motorları kalkış anında, nominal akımından 4-6 kat kadar fazla akım çekebilir. Kalkış anındaki bu yüksek akım kısa sürelidir ve motora zarar vermez. Bu nedenle aşırı akım rölesi gecikmeli çalışan bir eleman olmak zorundadır. Ancak motor 1-2 dakika süreyle yüksek akım çekerse, aşırı akım rölesi devreye girmelidir.

Aşırı Akım Röleleri

Manyetik Aşırı Akım Röleleri

Manyetik açak olarak da bilinir.  Elektromıknatıs, kontak ve geciktirici elemandan oluşmaktadır. Motorun çektiği akımın oluşturduğu manyetik alandan yararlanarak çalışır.  Motor akımı yükseldikçe oluşan manyetik alan da büyüyecektir. Manyetik aşırı akım rölesinin içinde bulunan geciktirici eleman rölenin hemen açmasını engelleyecektir. Eğer motor akımı, nominal değerin üzerinde devam ederse rölenin kontağı açık konuma geçer ve akım kesilir.

Termik Aşırı Akım Röleleri

Motor akımı nedeniyle oluşan ısı etkisiyle çalışan aşırı akım rölesidir. Temelinde, uzama katsayısı farklı olan iki metalin birleştirilmesiyle meydana gelen bimetal eleman bulunmaktadır. Direkt ısıtmalı ve endirekt ısıtmalı olmak üzere iki çeşidi bulunmaktadır.

Direkt ısıtmalı: Akım geçişi bimetal üzerinden doğrudan yapılmaktadır. Aşırı akım durumunda ısınan bimetal bükülür ve rölenin açmasını sağlar.

Endirekt Isıtmalı: Direkt ısıtmalıdan farklı olarak, akım taşıyan iletkenler bimetal elemanın üstüne sarılır ve akım bu iletkenlerden geçer. Aşırı akım durumunda ısınan bimetal bükülür ve rölenin açmasını sağlar.

Aşırı akım röleleri, aşırı akım durumunda motoru devreden çıkardıktan sonra tekrar devreye girmez. Açma durumunda elle ya da uzaktan kumanda yardımıyla aşırı akım rölesinin resetlenmesi gerekmektedir.

Zaman Röleleri

Otomatik kumanda devrelerinde, yüklerin belirlenen sürelerde çalışmasını ya da durmasını sağlayan elemana zaman rölesi denir. Zaman röleleri sayesinde sıralı çalışma, periyodik çalışma gibi işlemler kolaylıkla yapılabilir. Yapısına göre, düz zaman rölesi ve ters zaman rölesi olmak üzere ikiye ayrılır.

Zaman Röleleri

Düz (Çekmede Gecikmeli) Zaman Rölesi: Düz zaman rölesinin bobini enerjilendiğinde zaman rölesi saymaya başlar. Ayarlanan süre kadar gecikme sağlandıktan sonra rölenin kontakları konum değiştirir. Röle bobininin enerjisi kesildiğinde ise kontaklar ilk konumuna döner. Eğer ayarlanan süreye ulaşılmadan bobin enerjisi kesilirse süre sayma işlemi sıfırlanır.

Düz Zaman Rölesi

Ters (Düşmede Gecikmeli) Zaman Rölesi: Ters zaman rölesinin bobini enerjilendiği anda röle kontakları konum değiştirir. Rölenin süre sayma işlemine başlaması için bobin enerjisinin kesilmesi gerekir. Bobin enerjisi kesildikten sonra belirlenen süre kadar gecikme sağlanır. Süre sonunda kontaklar ilk konumuna döner. Eğer bobin enerjisi kesilmezse, ters zaman rölesi süre sayma işlemine başlamaz.

Ters Zaman Rölesi

Solenoid Valfler

Sıvı veya gaz akışının denetiminde kullanılan, tam kapalı ya da tam açık (on-off) şeklinde çalışan bir elemandır. Tek yönlü olarak çalışır ve ters yönden sıvı ya da gaz akışı mümkün değildir. Hidrolik ve pnömatik sistemlerde kullanılır.

Solenoid Valfler

Paket Şalterler

Pako şalter olarak da bilinir. Bir eksen etrafında dönebilen bir mil üzerine, birden fazla kontağın yerleştirilmesi ile meydana gelir. Paket şalterler çok konumlu olarak imal edilir. Her konumda birden fazla kontak bulunabilir. Paket şalter üzerinde bulunan kol çevrilerek istenilen konuma getirilir. Bu sayede bazı kontaklar açık konuma geçerken bazı kontaklar kapalı konuma geçer.

Paket Şalterler

Kumanda Devresinin Oluşturulması

Kumanda devresinin oluşturulmasında uyulması gereken bazı kurallar vardır.

1) Kumanda devresi şema çiziminde kullanılan her elemanın bir sembolü bulunmaktadır. Ancak ülkeler, farklı semboller ya da farklı çizim yöntemleri (norm) kullanmaktadır. Her normun kendine ait kuralları ve sembolleri bulunmaktadır. Kumanda devresi şeması çiziminde kullanılan normlara örnek olarak; Türk (TSE), Amerikan, Alman ve Rus normları verilebilir. Bu nedenle kullanılacak normun sembolleri ve kuralları iyi bilinmelidir. Kumanda devresi şeması çiziminde herhangi bir norm kullanılabilir. Ancak, baştan sonra aynı normda kalınması, devrenin farklı bölümleri için farklı normlar kullanılmaması gerekmektedir. Bu yazıda şema çizimleri Amerikan normunda yapılacaktır.

Kumanda Devresinin Oluşturulması

Amerikan normunda kumanda devresi çizimi yapılırken elemanlar soldan sağa doğru yerleştirmelidir. Kumanda devresinin en solunda faz, en sağında ise nötr bulunması devre takibinin kolay olması için önemlidir.

2) Kontaktörler yapısı gereği birbirlerine seri bağlanamaz. Bu nedenle kumanda devresi şeması çiziminde kontaktörler seri şekilde bağlanmamalıdır.

Kumanda Devresi

3) Aynı kontaktöre ait zıt konumdaki kontaklar birbirine seri ya da paralel bağlanmamalıdır. Aksi takdirde, aşağıdaki kumanda devresinde görüleceği gibi açık devre meydana gelir ve motor hiçbir zaman enerjilendirilemez.

devre

Kumanda Devresi Teknikleri

Kesik Çalışma: Başlatma butonuna basıldığında sistemin çalışıtığı, buton serbest bırakıldığında sistemin durduğu çalışma tipi, kesikli çalışma olarak adlandırılmaktadır.

Kumanda Devresi Teknikleri

Sürekli Çalışma: Sürekli çalışmada başlatma butonuna basıldığında sistem çalışır, buton serbest bırakıldığında ise sistem çalışmaya devam eder. Sistemin çalışmaya devam etmesi için, ilgili kontaktörün normalde açık konumda olan bir kontağının, start butonuna paralel olarak bağlanması gerekmektedir. Bu işleme mühürleme denir. Sürekli çalışmada başlatma butonuna bir kez basıldığında sistem çalışmaya başlayacak ve durdurma butonuna basılana kadar bu çalışma devam edecektir.

Sürekli Çalışma

Aşadığaki kumanda devresinde görüleceği gibi START butonuna bir kez basıldığında normalde açık olan A kontağı kapanacak ve akım bu kontak üzerinden akacaktır. STOP butonuna basıldığında ise A kontaktörünün enerjisi kesilecek ve A kontağı da ilk konumuna dönecektir.

kumanda devreleri

Kumanda Devrelerinde Kilitleme Yöntemleri

Kumanda devreleri kullanılarak elektrik motorlarının dönüş yönü kolaylıkla değiştirilebilir. Motorların dönüş yönünün değişmesinde motor bir yönde dönerken diğer yönde çalışma ile ilgili kumanda devresinin çalışmaması istenir. Aksi takdirde fazlar arası kısa devre meydana geleceğinden motor zarar görebilir. Bunu önlemek için kilitleme devreleri uygulanır. Bu kilitleme devreleri, butonsal kilitleme ve elektriksel kilitleme olmak üzere ikiye ayrılır.

Butonsal Kilitleme

Butonsal kilitleme devresinin oluşturulması için 2 adet iki yollu (jog) butona ihtiyaç vardır. Devre şemasında görüleceği gibi İLERİ butonuna basıldığında akım, İLERİ butonunun alt kontağından, GERİ butonunun ise üst kontağından geçerek I kontaktörünü enerjilendirir ve motor ileri yönde döner. GERİ butonuna basıldığında ise akım, İLERİ butonunun üst kontağından, GERİ butonunun ise alt kontağından geçerek G kontaktörünü enerjilendirir ve motor geri yönde döner. Butonsal kilitlemede dönüş yönü, motor hareket halindeyken de değiştirilebilir. Bu durum büyük güçlü motorlara zarar verebilir.

Butonsal Kilitleme

Elektriksel Kilitleme

Elektriksel kilitleme devresini oluşturmak için, ileri dönüş yönü kontaktörünün normalde kapalı bir kontağı, geri dönüş yönü kontaktörüne seri olarak bağlanır. Geri dönüş kontaktörünün normalde kapalı bir kontağı da ileri dönüş yönü kontaktörüne seri olarak bağlanır. Bu işlem sayesinde İLERİ butonuna basıldığında I kontaktörü enerjilenecek ve motor ileri yönde dönecektir. Aynı zamanda normalde kapalı olan I kontağı da açık konuma geçecek ve bu sayede GERİ butonuna basılsa bile G kontaktörü enerjilenmeyecek ve motorun dönüş yönü değişmeyecektir. Bu işlemin zıttı G kontaktörü için geçerlidir. Motorun dönüş yönü değiştirilmek istenirse STOP butonuna basılarak motorun durması sağlanacak, sonrasında dönüş yönü değiştirilecektir.

Elektriksel Kilitleme

Elektriksel Kilitleme

Güç Devresi

Güç devresi, kumanda devrelerinde enerji akışını gösteren, kullanlan güvenlik ve ana elemanları gösteren devredir. Kısaca, şebeke ile motor arasındaki elemanları ve akım yolunu gösterir.

Güç Devresi

Örnekler

1) 2 motorlu bir sistemde,  başlatma butonuna basıldığında birinci motor çalışacaktır. İkinci motor ise sadece ilgili butona basıldığı sürece çalışacak ve buton serbest bırakıldığında duracaktır. İkinci motor çalışırken birinci motor çalışmayacaktır. İlgili kumanda devresini çiziniz.

Kumanda Devreleri

2) 3 motorlu bir sistemde aynı anda en fazla 2 motorun devrede olması istenmektedir. Hiçbir zaman 3 motor birlikte çalışmayacaktır. İlgili kumanda devresini çiziniz.

Kumanda Devreleri

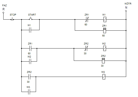
3) 3 motorlu bir sistemde, başlatma butonuna basıldığında birinci motor devreye girecektir. Birinci motor, 60 saniye çalıştıktan sonra duracak ve ikinci motor devreye girecektir. İkinci motor, 30 saniye çalıştıktan sonra duracak ve üçüncü motor devreye girecektir. Üçüncü motor ise durdurma butonuna basılana kadar çalışacaktır. İlgili kumanda devresini çiziniz.

Kumanda Devreleri

4) Bir sistemde güvenlik gerekçesiyle motor devreye alınmadan önce, korna ve sinyal lambası ile uyarı verilmesi istenmektedir. Başlatma butonuna basıldığında korna ve sinyal lambası çalışmaya başlayacaktır. Korna 10 saniye, sinyal lambası ise 20 saniye çalışıp devreden çıkacak ve motor devreye alınacaktır. Motor, durdurma butonuna basılana kadar çalışmaya devam edecektir. İlgili kumanda devresini çiziniz.

Kumanda Devreleri

5) Bir sistemde, ileri yön butonuna basılınca motor ileri yönde dönecek, geri yön butonuna basılınca motor geri yönde dönecektir. Motor bir yönde dönerken, aksi yönde dönmesi engelenecektir. İlgili kumanda devresini ve güç devresini çiziniz.

Kumanda Devresi

Kumanda Devreleri

Güç Devresi

Kumanda Devreleri güç devresi

Üç fazlı asenkron motorlarda, motorun dönüş yönünü değiştirmek için, fazlardan birinin sabit tutulup diğer iki fazın sırasının değiştirilmesi gerekmektedir. Güç devresinde görüleceği gibi L2 (S) fazı sabit tutulurken, L1-L3 (R-T) fazlarının sırası değiştirilmiştir. Bu işlem sayesinde motorun dönüş yönü değiştirilebilir.

6) 3 motorlu bir sistemde, başlatma butonuna basıldığında sistem kontaktörü (S) devreye girecektir. Sistem kontaktörü ile birlikte birinci motor devreye girecek, 60 saniye çalıştıktan sonra duracaktır. Birinci motor durunca, ikinci motor devreye girecek ve 45 saniye çalıştıktan sonra duracaktır. İkinci motor durunca, üçüncü motor devreye girecek ve 30 saniye çalıştıktan sonra duracaktır. Üçüncü motorun durunca, birinci motor tekrar çalışmaya başlayacak ve durdurma butonuna basılana kadar bu işlemler periyodik olarak devam edecektir. İlgili kumanda devresini çiziniz.

Kumanda Devreleri

7) Yıldız- Üçgen bağlı bir motorun, başlatma butonuna basıldığında yıldız bağlı çalışması, bir süre sonra ise üçgen bağlı olarak  çalışması istenmektedir. İlgili kumanda devresini çiziniz.

Kumanda Devreleri

KAYNAKÇA

  • Ceyhan GENÇTAN, Yavuz TÜRKMEN, Kumanda Devreleri 1, İzmir, 1989.
  • Özdemir BADUR, Elektrik Kumanda Devreleri, İstanbul, 2001

Şema çizimlerinde kullanılan program:

Prof. Dr. Hasan ERDAL, Veppa HALLIYEV, Elektrik Kumanda Teknikleri Simülatörü (EKTS), Marmara Üniversitesi, İstanbul, 2005

Mühendis Beyinler pokazuje, jak wiedza i analityczne podejście pomagają lepiej rozumieć złożone systemy oraz podejmować świadome decyzje. W podobny sposób użytkownicy eksplorują rozwiązania online, takie jak strona internetowa kasyno, gdzie przejrzystość zasad i logika działania wpływają na komfort korzystania.

Mühendis Beyinler emphasizes the importance of structured thinking and understanding underlying mechanisms when approaching complex topics. This mindset extends naturally into digital environments, where platforms like site casino attract users who value clarity, accessibility, and a well-organized experience.

Önceki İçerik
Sonraki İçerik

1 Yorum

guest
1 Yorum
Inline Feedbacks
Tüm yorumları göster
Arıcılık Malzemeleri

Yeni Yazılar

Mühendislik Maaşları

Bunları Gördünüz mü?